Šta je ASCII kod – Kodiranje znakova i slova
Američki standardni kod za razmenu podataka - ASCII čini skup karaktera tj. kodova koji se najčešće koriste u računarstvu, ali i u komunikacionoj i upravljačkoj opremi...
Kako instalirati OpenCV biblioteku pod Windows okruženjem
OpenCV (Open Source Computer Vision Library) je biblioteka programerskih funkcija namenjena programima vezanim za rad kompjuterske vizije u realnom vremenu. Razvio ju je Intel....
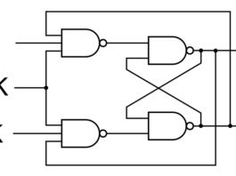
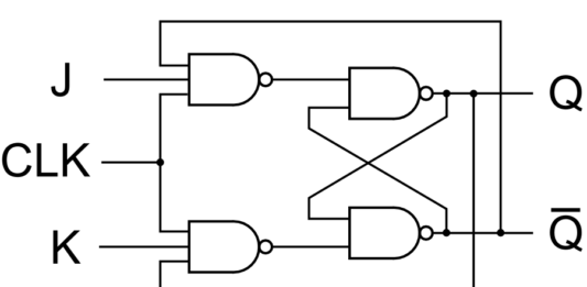
Digitalna elektronika – Leč i flipflop
Mehanizam koji omogućava pamćenje stanja u sekvencijalnim mrežama je povratna sprega, koja predstavlja povratni put signala od izlaza ka ulazima. Ovo je ujedno i...
Komunikacioni protokol HART
Potreba za merenjem, upravljanjem i komunikacijom među mašinama i procesnom opremom javila se još na početku industrijske revolucije. Od tada, fabrička instrumentacija postala je...
Razvoj SCADA aplikacije sa LabVIEW softverskim paketom umesto standardnih SCADA paketa
U ovom tekstu prvo će ukratko biti predstavljen softverski paket LabVIEW, a zatim i DSC softverski modul za LabVIEW. Cilj ovog teksta...
Savremeni trendovi u industrijskim komunikacijama
U poslednjih desetak godina različiti proizvođači su razvili i standardizovali veliki broj komunikacionih magistrala i odgovarajućih mrežnih protokola za primenu u industriji. Ne postoji standard koji se...
Nekoliko primera upotrebe NFC tehnologije
NFC je skraćenica od Near Field Communication i predstavlja skup standarda za pametne telefone i ostale mobilne uređaje kojima se uspostavlja radio veza između njih,...
Leder programiranje – Realizacija časovnika
Prilikom upravljanja ili nadzora procesa često je potrebno da se neka aktivnost otpočne ili zaustavi posle određenog vremenskog perioda. U tom smislu neophodno je da...
Naponski transformatori – Namena, konstrukcija i karakteristike
Naponski transformatori su transformatori koji služe za merenja a zovu se još i naponski merni transformatori. Uglavnom se koristi se kada je potrebno izmeriti visoke napone koje je teško...
Fotonaponska ćelija – Princip rada, karakteristike i efikasnost
Solarne ćelije su poluprovodničke strukture koje imaju zadatak da pretvore Sunčevo zračenje tj. toplotnu energiju u električnu energiju. Sama solarna ćelija jeste sastavljena od velikog broja elektronskih komponenti...




































