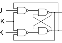
Digitalna elektronika – Leč i flipflop
Mehanizam koji omogućava pamćenje stanja u sekvencijalnim mrežama je povratna sprega, koja predstavlja povratni put signala od izlaza ka ulazima. Ovo je ujedno i...
Analogno/digitalni konvertor – A/D konvertor
A/D konvertor pretvara kontinualni električni naponski signal na svom ulazu u digitalnu reč na svom izlazu. A/D nalazi veliku primenu u elektromotornim pogonima, i...
Programabilni automatski kontroler (PAC) – Productivity3000
Productivity3000® - Programmable Automation Controller je najnovija generacija industrijskih kontrolera kompanije AutomationDirect , koja objedinjuje sve napredne osobine i mogućnosti PC-baziranog upravljačkog sistema sa...
Serijski interfejs mikrokontrolera Intel 8051/8052
Serijski port je tzv. puni dupleksni, što znači da predaja i prijem mogu da teku istovremeno. Prijemni deo serijskog porta je dopunjen jednim paralelnim...
RC servo motori
Servo motori su rotacioni aktuatori koji se koriste u aplikacijama gde je potrebno upravljanje ugaonom pozicijom, brzinom i ubrzanjem. Sastoje se od odgovarajućeg motora...
Svetleća dioda – LED (Light-emiting diode)
LED, odnosno svetleća dioda (engl. LED; Light-emiting diode) je posebna vrsta poluprovodničke diode koja emituje svetlost kada je propusno polarisana, tj. kada kroz nju teče struja.
Fotoni svetla se emituje prilikom rekombinacije para elektron-šupljina. Takvo svojstvo...
Mini računar Raspberry Pi Model B (RPi)
Mini računar Raspberry Pi (RPi) svojom najavom podigao je puno prašine. Ovaj računar veličine kreditne kartice, dimenzija: 85mmx56mmx17mm, može da izvrši mnoge zadatke koje obavlja...
Načini prepoznavanja boje staklenih flaša
U industrijskim postrojenjima i pogonima za reciklažu javlja se potreba za sortiranje stakla na osnovu boje. Ovaj posao može obavljati čovek koji bi na...
Leder programiranje – Sekvencijalno upravljanje
Jedan od čestih zadataka pri upravljanju procesima je sekvencijalno upravljanje. Ovim upravljanjem se izvršnim uređajima na procesu zadaje niz naredbi binarnog tipa (uključi/isključi, napred/nazad,...
Digitalni informaciono – reklamni sistemi
U radu su predstavljeni elementi i način funkcionisanja digitalnih informaciono-reklamnih sistema kao novog masovnog medija. Digitalnih informaciono-reklamni sistemi predstavljaju mrežu prilagodljivih displej uređaja koji...




































